Hồ cá Koi Nhật sau một thời gian sử dụng sẽ xảy ra tình trạng bị vẩn đục, bụi bẩn, rêu tảo. Nguyên nhân có thể xuất phát từ việc thiết kế hồ sai quy cách, hệ thống lọc có vấn đề hoặc do vệ sinh hồ cá không đúng cách. Nếu tình trạng này kéo dài thì làm cá dễ bị nhiễm bệnh và có thể tử vong.
Nguyên nhân hồ cá Koi bị đục
- Thiết kế sai quy cách
- Thiết lập hệ thống lọc không đủ công suất
- Thậm chí là do vệ sinh hồ cá không đúng cách, không sạch.
- Hay việc bạn cho Koi ăn quá nhiều và thức ăn thừa sẽ là nguyên nhân gây đục nước.

Cách xử lý hồ cá koi bị đục
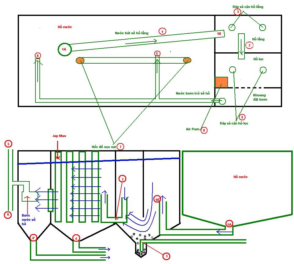
Bất kể để làm một việc gì thì cần tìm hiểu rõ nguyên nhân của nó trước. Và ho ca Koi Nhat bị đục nước cũng vậy. Trước tiên nên kiểm tra hệ lọc hồ cá Koi, vì đây là thiết bị cung cấp nguồn nước sạch cho những chú Koi bơi lội. Nên kiểm tra theo các tiêu chuẩn của hệ thống lọc trong hồ cá Koi đã đảm bảo hay chưa.
Tiêu chuẩn của hệ thống lọc trong hồ cá Koi:
+ Hút: Gồm có hút đáy và hút bề mặt.
+ Lọc hồ: Gồm đầy đủ lọc thô và lọc tinh.
+ Hệ thống đẩy: Đầy bên ngoài và bên trong hồ.
+ Hệ thống xả: Phải đủ xả căn hộ cá và xả trong lọc hồ.
+ Tràn: Đảm bảo việc hạn chế tràn hồ cá và tràn hồ lọc.

Nếu một bộ phận của hệ lọc bị sai kỹ thuật thì bạn nên khắc phục nhanh chóng. Để đảm bảo cho những chú Koi yêu của bạn được phát triển một cách bình thường.
Nếu hồ koi đục do vệ sinh hồ cá Koi không đúng cách. Bạn nên tiến hành kiểm tra lại. Bạn có thể nhờ tới sự trợ giúp của các đơn vị chăm sóc hồ cá Koi uy tín.
Nếu hồ cá bị đục do nguồn thức ăn thừa của cá bạn nên cho cá ăn ít lại. Lưu ý cho cá ăn 3% trọng lượng của cá, chia làm nhiều bữa, nếu bạn quá bận thì bạn nên cho Koi ăn vào ban sáng và tối.
>> Kỹ năng cần thiết khi nuôi cá Koi cảnh
Nếu có bất kỳ trở ngại nào trong việc đảm bảo một môi trường sống tốt, chăm sóc cho hồ cá Koi Nhật thì hãy liên hệ tới đội ngũ kỹ sư của Cảnh Quan Hoàng Gia để được tư vấn chi tiết.
HÀ NỘI: Tầng 01 - B9 - D6 - Khu đô thị mới Cầu Giấy - Dịch vọng - Hà Nội
Số nhà 25 - Ngõ 602 - Kim Giang - Thanh Xuân - Hà Nội
Liên hệ: 0962 603 605/ 02466.603.605
HẢI PHÒNG: Số 946 Nguyễn Bỉnh Khiêm - Đằng Hải - Hải An - Hải Phòng
Liên hệ: 0967 603 605/ 02256.62.63.64














